RCC32-E31T Type A+6 Residual current sense
- OSWELL
- CHINA
- 10-15天
- 50k
Type-A+6mA residual current module for EV charging pile protection > Mounted on PCB board
Dual digital open-drain output,20mAAC/6mADC trip indication
3-phase prima conductors on module(typ.32A,max.40A)
PWM output for DC residual current value indication(0~30mA)
Error output for system fault indication
High-frequency response up to 2kHz
Meets the requirements of GB/T 40820 (IEC 62955) for the residual current operation characteristics of the mode three charge RDC-PD.
Meet the basic residual current operating characteristics of GB/T 22794 (IEC 62423), and adapt to the DC 6mA test requirements.
Trip-Current(residual current related characteristics)
| Wav. | Freq. | Min. | Typ. | Max. | Unit |
| AC | 50Hz | 20.0 | 23.0 | 26.0 | mA |
| A0 | 50Hz | 11.0 | 19.0 | 30.0 | mA |
| A90 | 50Hz | 10.0 | 24.0 | 30.0 | mA |
| A135 | 50Hz | 10.0 | 28.0 | 30.0 | mA |
| 2PDC | 50Hz | 3.5 | 5.2 | 7.0 | mA |
| 3PDC | 50Hz | 3.1 | 4.6 | 6.2 | mA |
| S-DC | - | 3.0 | 4.6 | 6.0 | mA |
Electrical & Reliability Characteristics
Operating Temperature: -40℃~105℃
Storage Temperature: -40℃~105℃
Operating Humidity: ≤95%
Supply Voltage(VDD): 4.85~5.15VDC
Consumption: ≤110mW
Voltage Input,low level: 0~0.6VDC
Voltage Input,high level: 4.2~5VDC
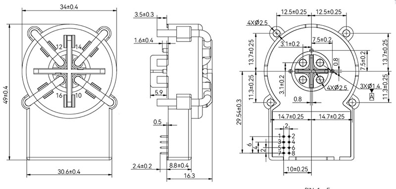
Dimension









